
ATMOS - Hagyomány és tapasztalat
Az ATMOS vállalkozói tervei
ATMOS faelgázosító kazán típusok, méretek, műszaki adatok
Javasolt bekötés

Javasolt bekötés
Gyűjtőtartályos és gyűjtőtartály nélküli kazánok javasolt bekötése ESBE szeleppel
 nagyítás (zoom)
 nagyítás (zoom)

nagyítás (zoom)

nagyítás (zoom)

nagyítás (zoom)

nagyítás (zoom)

nagyítás (zoom)
Laddomat 21

nagyítás (zoom)

nagyítás (zoom)
Bekötési vázlat LADDOMAT 21-el
A Laddomat 21 szerkezetével helyettesíti az egyes elemekből készített klasszikus bekötést. Részei az öntöttvas test, hőszabályzó szelep. szivattyú, visszacsapó zár, golyósszelep és hőmérők. A kazánvíz 78oC hőmérsékletekor a hőszabályzó szelep kinyitja az adagoló ajtaját. A bekötés Laddomat 21-el lényegesen egyszerübb, ezért ezt ajánljuk.

 |
A csövek átmérője a gyűjtőtartályos bekötésnél
| A kazán típusa és teljesítménye | A rész | B rész |
| rézben | acélban | rézben | acélban |
| DC 18S, DC 22S, DC 25GS | 28 x 1 | 25 (1") | 28 x 1 | 25 (1") |
| DC 32S, DC 32GS, DC 40GS | 35 x 1,5 | 32 (5/4") | 28 x 1 | 25 (1") |
| DC 50S | 42 x 1,5 | 40 (6/4") | 35 x 1,5 | 32 (5/4") |
| DC 80, DC 70S | 54 x 2 | 50 (2") | 42 x 1,5 | 40 (6/4") |
|
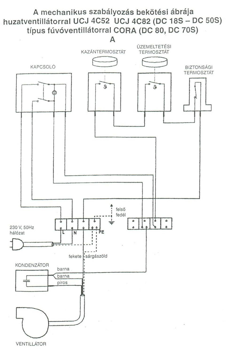
Huzatventillátor

Hűtőhurok

A láng égése a kerámia tűztérben
 |
Gazdaságosság
Az ATMOS kazánok ára konkurrenciaképes, bennük a tüzelés gazdaságos, az égéstermékek mennyisége minimális és a kazán környezetbarát termék.
|
|